Adres: 1203. CADDE (ESKİ 32) 111
Tel 1: 0 (312) 385 64-49
Tel 2: 0 (312) 385 61-88
Faks:
Email 1: kts@kts.com.tr
Web: https://www.kts.com.tr/index.html
Elle sağa sola çevrilerek hassas kontrollerde ideal bir kontrol kutusudur.

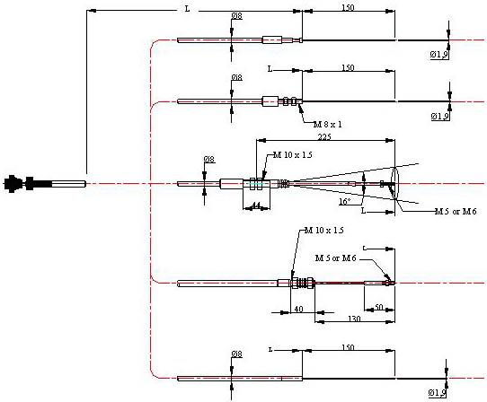
KULLANILAN KABLO TİPLERİ
