Adres: 1203. CADDE (ESKİ 32) 111
Tel 1: 0 (312) 385 64-49
Tel 2: 0 (312) 385 61-88
Faks:
Email 1: kts@kts.com.tr
Web: https://www.kts.com.tr/index.html
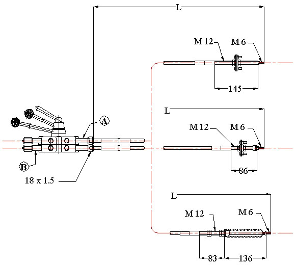
The truck mixer is the gas and hydraulic motor control box.
Outer Body : Aluminum
Gear Set: Steel
Standard Stroke A : 120 mm
Standard Stroke B : 85 mm
Stroke lengths can be increased up to 200 mm according to the customer's request.

CABLE TYPES USED
